フィルムコンデンサにいわゆるプラスマイナスの極性は無い。しかし巻き始めと巻き終わりはある。簡単に知るにはどうしたらいいのか、龍一さんに聞いてみた。
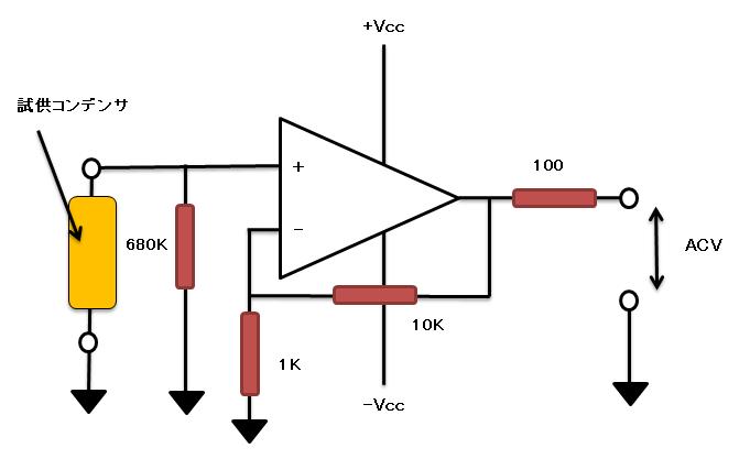
- アンプの出力にACレンジにしたテスターを接続して、アンプの入力にコンデンサーを繋ぎ、コンデンサーを手で触る。ハムノイズが増幅されてテスターの針が振れる。ノイズ出力の大きい方が外側(巻き終わり)。これでいかが?
で、やってみた。


50本測定したが、接続方向で明確な差がある。
精神的にスッキリとした(^-^)
ちなみに回路はこう。オペアンプは何でも良い。
